Rangkaian elektronika kendali adalah komponen elektronika yang berfungsi sebagai pengendali beban yang berupa daya pada beban lampu, motor DC motor ac, relay dll.
1. DIAC DIACS adalah salah satu jenis dari bidirectional thyristor
Rangkaian ekuivalen DIACS adalah merupakan dua buah dioda empat lapis yang disusun berlawanan arah dan dapat dianggap sebagai susunan dua buah latch.
DIACS singkatan dari Diode Alternating Current Switch.
Namun secara umum
DIACS hanya disebut dengan DIAC, komponen ini paling sering digunakan untuk
menyulut TRIAC.
Berikut ini adalah gambar :
1a). Konstruksi Pembentukan DIACS 1b). Simbol DIACSA. SIFAT DASAR DIACS
DIACS yang tersusun dari 2 buah dioda empat lapis dengan bahan silicon memungkinkan bekerja pada tegangan tinggi dan arus yang sebatas kemampuannya
Namun DIACS perlu mendapat perhatian khusus karena setelah mencapai tegangan UBRF tertentu, kemudian tegangan dengan sendirinya turun tapi arus IF tiba-tiba naik secara tajam. Untuk itu rangkaian DIACS memerlukan R seri sebagai pembatas arus.
Dan karena konstruksinya yang kalau kita lihat dari simbol terdiri dari 2 dioda yang tersambung secara anti paralel,maka DIACS dapat dipergunakan pada rangkaian AC
.
Gambar 2a. Pembentukan DIACS 2b. Simbol DIACS
Karakteristik DIAC Seperti halnya dioda dan Transistor , DIACS-pun mempunyai daerah -daerah yaitu daerah tertutup dan daerah kerja Daerah kerja pun ada dua yaitu daerah kerja arah maju dan daerah kerja arah mundur .
Kalau dioda dan transistor daerah tertutupnya antara 0,2V - 0,3 V dan 0,6 V - 0,7 V .
Daerah tersebut orang mengatakan daerah tegangan “ Junction “ jadi apabila tegangan ini belum terlampaui dioda / transistor tidak akan bekerja .
Setelah ini terlewati , secara tiba-tiba Uf turun pada tegangan tertentu , arus mengalir naik dengan cepat sehingga dalam praktek pemasangan DIACS perlu diberikan tahanan depan sebagai pembatas arus .
Perlu diketahui pula bahwa :
U ( BR ) F : Tegangan patah pada arah maju U ( BR )
R : Tegangan patah pada arah mundur I ( BR )
F : Arus patah pada arah maju I ( BR )
R : Arus patah pada arah mundur
∆U : Beda tegangan kerja dan tegangan patah
Id : Arus daerah tertutup / diom Dari kurva diatas dapat kita baca bahwa :
Daerah linier yang terdapat pada daerah kerja DIACS dimulai pada IF = IR = 10 mA, hanya ini berbeda -beda untuk setiap no seri DIACS
B. Sifat Listrik DIACS
Seperti halnya dioda dan Transistor , DIACS-pun mempunyai daerah -daerah yaitu daerah tertutup dan daerah kerja Daerah kerja pun ada dua yaitu daerah kerja arah maju dan daerah kerja arah mundur .
Kalau dioda dan transistor daerah tertutupnya antara 0,2V - 0,3 V dan 0,6 V - 0,7 V Daerah tersebut orang mengatakan daerah tegangan “ Junction “ jadi apabila tegangan ini belum terlampaui dioda / transistor tidak akan bekerja .
Begitu pula DIACS mempunyai daerah tertutup dan daerah kerja Uf = 0 Volt sampai Ubr = 32 Volt merupakan daerah tertutup, yaitu arus tidak mengalir .
Setelah ini terlewati, secara tiba-tiba Uf turun pada tegangan tertentu, arus mengalir naik dengan cepat sehingga dalam praktek pemasangan DIACS perlu diberikan tahanan depan sebagai pembatas arus .
2. Thyristor (SCR)
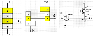
a. Dasar Pembentukan Thyristor adalah ELEMEN SEMI KONDUKTOR yang mempunyai karakteristik tegangan arus antara terminal pokoknya ( anoda dan katoda ) Thyristor berasal dari kata : TYROTON DAN TRANSISTOR
Konstruksi dasar Thyristor
Gambar 4
A = ANODA K = KATODA G = GATE
4.SIMBOLTHYRISTOR
Gambar 5 Q1 = TRANSISTOR PNP Q2 = TRANSISTOR NPN b. Penyulutan Thyristor bisa disulut kalau polaritas dalam arah maju
Gambar 6 Kalau antara gate katoda di beri tegangan positif dan arus IG atau IB2 mengalir maka Q2 bekerja (BIAS MAJU) Akibatnya mengalir arus KOLEKTOR IC2 Karena IC2 = IB1 ; Q 1 bekerja dan IC1 mengalir sehingga
•Meskipun arus gate( IG ) diputuskan transistor Q 2 dan Q 1 tetap MENGHANTAR ( KONDUKSI )
• Kemampuan Thyristor untuk tetap konduksi meskipun arus sudah di hilangkan di sebut “LATCHING“
• Untuk membuat Thyristor konduksi ; hanya di perlukan PULSA SINGKAT PADA GATE .
• Sekali konduksi , gate tidak perlu di kendalikan lagi dan Thyristor tetap konduksi sampai tegangan ANODA - KATODA berkurang mendekati NOL
• Thyristor dapat juga di sulut agar konduksi tanpa melalui gate , yaitu jika tegangan
• ANODA - KATODA di buat RELATIF BESAR .
C. Karakteristik Statis
Kurva karakteristik pada gambar 1b menunjukkan bagaimana arus Gate yang masuk ke SCR menentukan besarnya tegangan yang diperlukan dari Anoda ke Katoda untuk membuat SCR hidup atau menghantar . Jika Gate terbuka (IG=0), dengan tegangan maju diterapkan ke Anoda - Katoda,SCR dalam keadaan mati. Namun jika tegangan Anoda - Katoda melampaui tegangan dadal UBo,SCR akan menghantar,dan arus hanya akan dibatasi oleh tegangan sumber dan tahanan luar (tahanan yang dihubungkan seri dengan SCR). Pada kondisi dadal kurva karakteristik digambarkan sebagai garis putus-putus, karena keadaan ini tidak stabil, daerah pensaklaran cepat. Jika arus Gate bertambah,tegangan dadal maju berkurang, sehingga untuk nilai IG yang sangat besar (sekitar 50 mA).SCR akan hidup segera setelah tegangan diterapkan. Sekali SCR on arus genggam (holding current) IH diperlukanuntuk menjaga alat tetap on. Jika arus lebih rendah dari IH dengan cara menaikkan hambatan luar, SCR akan mati.. Perlu diperhatikan bahwa sekali SCR on,gerbang tidak dapat mengontrol lagi,tidak dapat membuat SCR off. Hanya jika UA-K dikurangi ke nol atau jika arus dikurangi dibawah IH alat akan mati.
Gambar 7. Karakteristik SCR SCR dapat dianalisis dengan cara menggunakan persamaan dua transistor yang membagi SCR ditengah-tengah, seperti
Gambar 8
Gambar 8.
d. Harga Batas
Untuk dapat menggunakan komponen elektronika, kita harus mengetahui
persyaratan-persyaratan atau batas-batas yang diperbolehkan, terutama kalau kita
akan membuat rancangan sendiri.
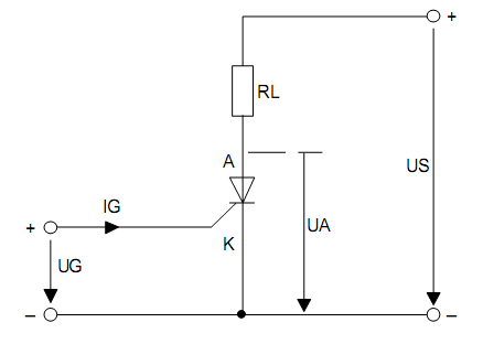
Untuk melatih cara membaca tabel, kita lihat tabel berikut ini :E. Sifat Listrik Sifat Thyristor Terhadap Arus Searah
Thyristor bekerja seperti dioda, ia menghantarkan arus dari arah Anoda ke Katoda - Thyristor dapat dibuat menghantar (di ON kan ) dengan memberikan arus pada Gate. - Setelah arus pada gate dimatikan SCR akan tetap bekerja. Fungsi Catu daya DC. Thyristor dapat digunakan untuk rangkaian tambahan pada pengontrol daya rata- rata DC ke beban atau untuk memindah dari daya DC yang ada ke AC pada harga yang ditetapkan, sedangkan frekuensi variabelnya tergantung pada kebutuhan. Rangkaian Thyristor Untuk Sumber Arus Searah Jika UG pada keadaan nol volt dan arus gate (IG) tidak mengalir, maka thyristor dalam keadaan tidak menghubung (OFF), l
lihat Gambar 9.
Gambar 9. - Jika UG dinaikkan dan saat IG mencapai pada harga tertentu, maka thyristor menghubung (ON) - Pada saat thyristor sudah menghubung, gate tidak dapat berfungsi sebagai kendali thyristor. - - Ketika thyristor pada posisi ON praktis Anoda ke Katoda terhubung singkat, sedangkan selisih tegangan antara Anoda dan Katoda maksimum 1 volt (biasanya 0,7 volt). Mengembalikan Thyristor ke Posisi OFF dapat dilakukan dengan cara: - Mengurangi arus thyristor dibawah harga arus genggam (hold) - Dengan cara mengurangi tegangan sumber US - Dengan cara menghubung singkat Anoda ke Katoda (cara ini harus dilakukan dengan tegangan gate dilepas terlebih dahulu). - Melepas tegangan Anoda atau membuat tegangan Anoda lebih negatip terhadap katoda. f. Aplikasi Thyristor 1). Thyristor sebagai Pengendali Kecerahan Lampu
Gambar 10
Dari gambar sebelah
penyulutan dilakukan
dengan menggunakan
tegangan AC/DC.
Gambar 11
- Tahanan R dan kapasitor C mengakibatkan Tegangan Penyulut yang berpulsa
dan juga berfungsi untuk Pengatur Waktu ( + ) penyulutan.2). THYRISTOR SEBAGAI ALARM ANTI PENCURI
Kita dapat menggunakan Thyristor untuk dipakai sebagai alarm anti pencuri. Rangkaian yang akan digunakan berikut ini adalah rangkaian simulasi . Dimana saklar S1 bisa berupa saklar mikro (mikro swicth) yang diletakkan pada pintu atau jendela, yang akan aktif (ON) jika pintu atau jendela dibuka secara paksa atau bisa juga berupa piranti yang peka cahaya, yang diatur sedemikian rupa sehingga bila terkena cahaya menyebabkan SCR OFF dan bila tertutup cahaya menyebabkan SCR ON. Rangkaian simulasi itu diperlihatkan pada gambar 2, Fungsi dari dioda adalah sebagai pengaman, karena bebanya adalah induktif, tanpa dioda dikhawatirkan tegangan induksi yang timbul saat SCR tiba-tiba OFF atau sumber tegangan diputuskan dapat merusak SCR.
Gambar 12. Rangkaian simulasi alarm anti pencuri CARA KERJA Saklar S2 untuk menset rangkaian pada kondisi siap (stand by), S1 merupakan saklar yang dapat ditempatkan di pintu atau di jendela. Jika ada tamu membuka pintu atau jendela dengan paksa maka saklar akan membuka, Gate SCR mendapat bias dari sumber tegangan lewat R = 1K, selanjutnya SCR akan ON dan Bel berbunyi. 3). PENGAMAN TEGANGAN BEBAN LEBIH Gambar 3 menunjukkan cara yang sederhana untuk membuat crowbar (pulsa yang sempit, barang yang sempit) SCR UZ=21V R RL Beban 2N4444 SUPPLY 20 Volt
Gambar 13. Dioda zener terbuka (OFF) selama tegangan yang keluar dari catu daya 20 Volt. Mula-mula SCR OFF karena tidak mendapat trigger (penyulut). Karena itu pada resistor beban muncul tegangan 20 Volt. Jika ada kesalahan pada catu dan tegangannya mencoba untuk naik diatas 21 Volt, Dioda zener menjadi break down (dadal) dan memberikan suatu penyulut ke SCR. Dengan segera SCR mengancing dan menutup pencatu daya (pawer supply). Gerakannya sama dengan melepaskan crowbar pada terminal beban. Karena pembuka SCR cepat sekali (untuk 2N 4444 sama dengan 1ยต s), dengan segera beban dilindungi terhadap efek yang merusakkan dari kelebihan tegangan yang besar. Crowbaring, walaupun suatu bentuk drastis dari suatu perlindungan, pada banyak IC adalah perlu, mereka tidak mengambil banyak tegangan lebih. Karena itu daripada merusak IC yang mahal, kita dapat menggunakan sebuah crowbar SCR untuk menghubung singkat terminal beban, pada isyarat pertama dari tegangan lebih (over voltage. Pencatu daya dengan crowbar SCR memerlukan bentuk lain dari perlindungan yang disebut pembatasan arus (current limiting), yang mencegah arus yang berlebihan merusak pencatu daya.
4). DETEKTOR CAHAYA LEBIH
Gambar 14 merupakan salah satu cara sederhana untuk mendeteksi cahaya lebih (overligh detector). Bekerjanya adalah sebagai berikut R1 adalah foto resistor (photo resistor), suatu alat yang resistansinya berkurang dengan penambahan intensitas cahaya. Jika tidak ada cahaya yang jatuh pada R1, resistansinya tinggi dan tegangan pada R2 tidak cukup untuk menyulut SCR. R1 R2 Buzzer +UCC
Gambar 14. Tetapi bila R1 berada pada cahaya yang kuat, resistansinya rendah dan kita mendapat tegangan yang cukup pada R2 untuk menyulut SCR. Jika hal ini terjadi, bazer membunyikan alarm. Bahkan jika cahaya yang kuat lenyap SCR yang terkancing akan mempertahankan buzer ON. Selain buzer kita dapat menggunakan LED. Jika cahaya yang berlebihan menyentuh R1, walaupun untuk sementara, LED akan tetap ON sebagai rekaman (record) dari kejadian ini.
3. TRIAC
a. Dasar Pembentukan TRIAC
Gambar 15. Pembentukan Triac KONSTRUKSI RANGKAIAN PENGGANTI
Gambar 16. Gambar 17. Konfigurasi Triac
Triac singkatan dari Triode Alternating Current Switch . Atinya saklar trioda untuk arus bolak-balik . Triac adalah merupakan dua SCR (thyristor) yang dirangkaikan anti paralel dan diberi satu elektroda baru yang disebut gate (pintu). Penggunaan Triac akan lebih menguntungkan dibanding SCR . Karena SCR hanya dapat menghantarkan arus kesatu arah saja . Jika kita hendak memanfaatkan kedua belahan tegangan jaringan , maka SCR masih perlu dikemudikan dari suatu rangkaian penyearah . Ini akan merugikan kalau kita bekerja dengan daya yang besar-besar . 2N 50 PUT MEU 21 Simbol Triac Contoh Konstruksi
Gambar 18 Konfigurasi Triac
c. Sifat Dasar Triac Perhatikan gambar 1 . Dari gambar tersebut kita lihat bahwa elektroda terdiri dari Anoda (A), Katoda (K) dan Gate (G) . Dengan bantuan gambar 1 (b) maka dapat dijelaskan prinsip kerja / cara kerja Triac sebagai berikut :
Gambar 19 Skema Pengganti Triac - Jika ke anoda diberi forward bias, maka saklar S1 menutup (ON) . - Sebaliknya jika anoda diberi reverse bias, maka saklar S2 menutup (ON) . Dari penjelasan di atas, dapat ditarik kesimpulan bahwa pemberian tegangan arus bolak-balik adalah seperti pemberian tegangan forward dan reverse , 1lihat gambardi bawah ini
(a) Forward (b) Reverse Gambar 20 Skema Pengganti Pemberian Bias Pada Triac d. Karakteristik Triac Triac dapat dipandang SCR yang simetris . Karena kurva karakteristiknya tidak ada perbedaan antara karakteristik maju dan karakteristik terbalik
Gambar 21 Karakteristik Triac Bila diperhatikan gambar diatas, terlihat bahwa karakteristik maju dan karakteristik terbalik Triac tidak ada perbedaan. Tegangan tembus (break over) dapat diatur dengan mengatur arus gate seperti halnya pada SCR. jadi arus Triac akan mengalir dengan mengatur arus gatenya .
E. Penyulutan Triac
Gambar 22. Mengemudikan Triac dengan Diac Tegangan yang ada pada Triac berbentuk seperti bagian-bagian yang di arsir. Bentuk ini akan dipertunjukkan oleh osilokop yang dipasang pada terminal- terminalnya Triac . (kalau sementara osiloskop terpasang potensiometer P kita putar-putar). f. Triac dalam rangkaian arus AC
Gambar 23
g. Keuntungan Triac dibandingkan dengan Thyristor
h. Pengaturan Daya dengan Triac Dengan rangkaian seperti di Gambar 24 , maka daya di beban dapat di atur-atur mulai dari 5% hingga 95% maksimum. Jikalau P besar, maka C1 di-isi muatan terutama lewat R3 oleh muatan yang ada pada C2. Adapun tegangan pada C2 bergeser-fasa dari tegangan-jepit. R3 perlu diatur supaya diac tepat tidak padam, pada saat jadi maksimum.
Gambar 24 Pengaturan Daya Dalam Batas-Batas yang Lebar Pada jaman modern ini dalam pemenuhan kebutuhan manusia, masalah tenaga semakin banyak, sehingga makin banyak melibatkan peralatan listrik untuk membantu bahkan mengganti. Misalkan pekerjaan menjahit, kalau dulu harus digerakkan oleh tenaga kaki, sekarang dapat dibantu oleh tenaga motor listrik dan motor listrik yang diperlukan harus dapat diatur putarannya, maka dari itu motor listrik harus di lengkapi rangkaian penguatan putaran motor, seperti yang terlihat pada gambar di bawah ini. Gambar 25. Pengaturan kecepatan motor dengan triac
Dengan rangkaian seperti di Gambar 24 , maka daya di beban dapat di atur-atur mulai dari 5% hingga 95% maksimum. Jikalau P besar, maka C1 di-isi muatan terutama lewat R3 oleh muatan yang ada pada C2. Adapun tegangan pada C2 bergeser-fasa dari tegangan-jepit. R3 perlu diatur supaya diac tepat tidak padam, pada saat jadi maksimum. Gambar 24 Pengaturan Daya Dalam Batas-Batas yang Lebar Pada jaman modern ini dalam pemenuhan kebutuhan manusia, masalah tenaga semakin banyak, sehingga makin banyak melibatkan peralatan listrik untuk membantu bahkan mengganti. Misalkan pekerjaan menjahit, kalau dulu harus digerakkan oleh tenaga kaki, sekarang dapat dibantu oleh tenaga motor listrik dan motor listrik yang diperlukan harus dapat diatur putarannya, maka dari itu motor listrik harus di lengkapi rangkaian penguatan putaran motor, seperti yang terlihat pada gambar di bawah ini.
Gambar 25. Pengaturan kecepatan motor dengan triac



























2 komentar:
Trimakasih untuk guru-guruku yang di VEDC malang...
siap min
wah keren min, makasih
solder uap
Posting Komentar